Die Zündanlage
Sicherheitshinweis:
|
|
Die Zündanlage hat eine sehr hohe Zündspannung (zwischen 25.000 und 35.000 Volt). Bei Feuchtigkeit im Motorraum oder bei defekten Teilen (Zündkabel!) können Spannungsspitzen die Isolation durchschlagen, so daß beim Berühren dieser Bauteile Lebensgefahr durch Stromschlag besteht! Herzschrittmacherträger dürfen generell an der Zündanlage keinerlei Arbeiten vornehmen! Zündkabel, Verteilerkappe sowie die Zündspule dürfen nur bei ausgeschalteter Zündung berührt werden. Zündkabel und alle sonstigen elektrischen Verbindungen der Zündanlage dürfen nur bei ausgeschalteter Zündung an- oder abgeklemmt werden. Gefahr eines Stromschlages und der Beschädigung von Zündanlage und Motorsteuerung. An Klemme 1 der Zündspule dürfen weder Entstörkondensatoren noch Prüflampen angeklemmt werden. |
Die Zündspule
|
Die Zündspule hat die Aufgabe, die Batteriespannung zur Zündspannung hochzutransformieren. Sie hat im Regelfall drei Anschlüsse. Der Pfeil kennzeichnet den Verschlußstopfen. Um bei Kurzschluß das Explodieren der Zündspule zu verhindern, kann durch diesen Verschlußstopfen die Vergußmasse kontrolliert austreten. |
|
|
| Klemme | Funktion |
| 1 | Diese Klemme wird über einen Unterbrecher oder das Motorsteuergerät an Masse angeschlossen. An dieser Klemme wird meist das Drehzahlsignal (grünes Kabel) abgegriffen. |
| 4 | Großer Anschluß in der Mitte der Zündspule für das Hauptzündkabel |
| 15 | Anschluß für den Batteriestrom bei eingeschalteter Zündung |
Funktionsprüfung:
| Art der Prüfung | Messung zwischen | Sollwerte |
| Sichtprüfung | -- | - keine Haarrisse - kein herausgedrückter Verschlußstopfen bzw. Austritt von Vergußmasse - keine korrodierten oder losen Anschlüsse |
| Spannungsversorgung (Voltmeter) |
15 und Masse | mindestens 9 Volt bei eingeschalteter Zündung |
| Spannungsversorgung (Voltmeter) |
1 und Masse | Zündung Ein: -
Unterbrecherkontakt geschlossen: 0 Volt Zündung EIN: - Unterbrecherkontakt geöffnet: mindestens 9 Volt (nur kontaktgesteuerte Zündanlagen) |
| Zündfunken | 4 und Masse | Hauptzündkabel aus Verteilerkappe ziehen und mit isolierter Zange bei eingeschalteter Zündung mit ca. 1 cm Entfernung an Masse halten: es muß ein Zündfunke überspringen. (nur kontaktgesteuerte Zündanlagen) |
| Primärwiderstand (Ohmmeter) |
1 und 15 | 0,68 - 0,76 Ohm (nur MOTRONIC-Zündspulen) |
| Sekundärwiderstand (Ohmmeter) |
1 und 4 | 7,0 - 8,4 KOhm (nur MOTRONIC-Zündspulen) |
Werden Beschädigungen festgestellt oder die Prüfwerte nicht erreicht, dann ist die Zündspule zu ersetzen.
Verteilerkappe
|
Die Verteilerkappe hat die Aufgabe, die von der Zündspule gelieferte Zündspannung auf die einzelnen Zylinder zu verteilen. Sie besteht aus hochspannungssicherem, hochisolierendem Phenol- oder Epoxydharz. Die Verteilerkappe stets sauber und trocken halten, da Schmutz und Feuchtigkeit elektrisch leiten und damit unkontrolliertes Abfließen der Zündspannung verursachen. Zur Kontrolle kann die Verteilerkappe abgenommen werden. Sind Haarrisse oder Brandspuren (Durchschläge) erkennbar, muß die Verteilerkappe ersetzt werden. Verschmutzungen können mit Spiritus und einem nicht fusselnden Lappen beseitigt werden. Die Zündkabel müssen fest in der Verteilerkappe sitzen und dürfen keine Korrosionsspuren aufweisen (weiß-grünlich-bläuliche pulverartige Ablagerungen). Sind solche Ablagerungen erkennbar, ist die Verteilerkappe und das betroffene Zündkabel auszutauschen. Der Graphitstift, der innen unter dem Hauptzündkabel die Spannung an den Verteilerläufer weitergibt, muß federnd nachgeben und darf nicht beschädigt sein. Ansonsten ist die Verteilerkappe ebenfalls auszutauschen. |
|
Verteilerläufer
|
Der Verteilerläufer rotiert auf der Verteilerwelle und leitet den über das Hauptzündkabel angelieferten Zündstrom zum Zündzeitpunkt an die Zündkerze des betreffenden Zylinders weiter. Zur Entstörung hat der Verteilerläufer einen integrierten Entstörwiderstand. Bei zu starkem Abbrand der Verteilerzunge oder dem Durchschlag des Entstörwiderstandes ist der Verteilerläufer auszutauschen. |
|
Verteiler
|
|
Der Verteiler wird bei den CIH-Motoren von der Kurbelwelle, bei den OHC-Motoren von der Nockenwelle angetrieben. Der Verteiler ist damit in der Lage, die Zündspannung der einzelnen Zündkerze zum Zündzeitpunkt zuzuteilen. Der Verteilerläufer darf auf der Verteilerwelle nur minimales Spiel haben. Ist ein deutliches Spiel des Verteilerläufers auf der Verteilerwelle festzustellen, so ist der Verteiler ausgeschlagen und muß überholt oder ersetzt werden. |
Überholen eines kontaktgesteuerten Bosch-Verteilers
Zerlegen
Schutzkappe entfernen, Verteilerkappe, Verteilerfinger und Kondenssperre abnehmen. Kabel des Unterbrecherhammers vom Flachstecker des Kondensators abziehen, Kondensator abschrauben.

Sicherungsring von der Verstellhebelachse abdrücken.

Unterdruckversteller abschrauben und abnehmen. Teile reinigen und prüfen. Der Unterdruckversteller ist mit einer Unterdruckpumpe daraufhin zu prüfen, ob ein beaufschlagter Unterdruck für einige Sekunden ohne Verlust gehalten wird. Wird der Unterdruck nicht gehalten, ist der Unterdruckversteller zu ersetzen. Der Unterbrecherkontakt ist stets zu ersetzen.

Der Zusammenbau erfolgt in umgekehrter Reihenfolge. Gleitende Teile der Kontaktplatte ölen. Nocken und Anlaufteil des Unterbrecherhammers schmieren. Schmierfilz im Nocken ölen.

A = Spezialfett (Katalog-Nr.: 19 42 581)
B = Spezialfett (Katalog-Nr.: 19 41 574)
C = Motorenöl
Überholen eines kontaktgesteuerten Delco-Remy-Verteilers

Zerlegen
Schutzkappe entfernen. Verteilerkappe abschrauben.

Verteilerfinger und Kondenssperre abnehmen.

Verteilerkontakt von der Kontaktplatte abschrauben.

Unterdruckversteller abschrauben.

Kondensator abschrauben.

Kontaktplatte abschrauben. Teile reinigen und prüfen. Defekte Teile ersetzen.

Der Zusammenbau erfolgt in umgekehrter Reihenfolge. Nocken (A) und Anlaufteil des Unterbrecherhammers mit Spezialfett 19 42 581 fetten. Gleitende Teile der Kontaktplatte und Schmierfilz (B) im Nocken mit Motoröl ölen.

5) Transistorzündanlage (TZ-H)
Ab Modelljahr 1982 (September 1981) sind die nachstehenden Motoren mit einer elektronischen Zündanlage ausgerüstet:
19N / 20N / 20S / 20E / 25E / 30H
Diese kontaktlose Transistorzündanlage basiert auf dem Halleffekt. Merkmale dieser Anlage sind:
- Durch Strombegrenzung können Vorwiderstände und damit
Verkabelung und Befestigung entfallen.
- Durch Schließwinkelregelung wird eine geringe Batteriespannungs-, Temperatur-
und Drehzahlabhängigkeit erreicht.
- Ruhestromabschaltung verhindert das Fließen von Primärstrom bei
eingeschalteter Zündung und stehendem Motor.
Schaltgerät
Der Schaltgeräteaufbau erfolgt in Hybridtechnik. Unter Hybridtechnik versteht man den Aufbau elektrischer Bauelemente (z.B. Widerstände, Dioden, Transistoren usw.) in verkapselter oder unverkapselter Form auf einer Dickschichtplatte (Keramiksubstrat).
Die Hybridtechnik bietet neben dem Vorteil der kleinen und gedrängten Bauweise den Vorzug, die Zahl der Verbindungsstellen (z.B. Lötstellen) zu verringern. Dies wirkt sich günstig auf die Zuverlässigkeit der Zündanlage aus.

Schaltgerätekonstruktion
Das Kunststoff-Schaltgerätegehäuse einschließlich Anschlußteil und eingespritzten Flachsteckern bilden eine Einheit. Eine metallische Grundplatte dient als Träger der Schaltung und gleichzeitig der Wärmeabführung. Um eine zu hohe Erwärmung des Hybridschaltkreises und der Leistungs-Endstufe zu vermeiden, wird die Leistungs-Endstufe nicht auf das Keramik-Substrat, sondern isoliert auf die metallische Grundplatte gesetzt. Die Grundplatte wird durch Kleben mit dem Kunststoffgehäuse verbunden.
Zum Schutz der Schaltung vor Feuchtigkeit und Beschädigung wird der Innenraum des Schaltgerätes mit Silikon-Gel ausgegossen. Der Deckel des Schaltgerätes wird aufgeklebt.
Befestigt wird das Schaltgerät zusammen mit der Zündspule auf einer Kühlplatte.
Die Kühlplatte ist fest mit der Karosserie verschraubt.

| Nummer | Funktion |
| 1 | Metallische Grundplatte |
| 2 | Dickschichtplatte |
| 3 | Kondensatoren Chip |
| 4 | IC für Schließwinkelregelung und Strombegrenzung sowie Treiberstufe |
| 5 | Meßwiderstand (Stromerfassung) |
| 6 | Transistor-Endstufe |
| 7 | Leiterbahnen |
| 8 | Dioden-Chip |
| 9 | Kontaktstellen für Anschlußdrähte |
| 10 | Z-Diode-Chip |
Durch Wegfall der Vorwiderstände übernimmt die Endstufe - im Unterschied zu den heute üblichen TZ-Anlagen (geschaltete Endstufe) - zusätzlich noch die Aufgabe der Strombegrenzung. Dadurch können Zündspulen mit niederohmiger Primärwicklung ohne Vorwiderstände betrieben werden. Der maximale Primärstrom wird nicht mehr durch den Gesamtwiderstand des Primärkreises (Vorwiderstände plus Primärwicklung) bestimmt, sondern durch die Strombegrenzung im Schaltgerät. Der Primärstrom-Sollwert wird durch den Abgleich der Strombegrenzung im Schaltgerät vorgegeben. Die Strombegrenzung funktioniert vereinfacht so, daß bei Erreichen des Primärstrom-Sollwertes am Stromerfassungswiderstand ein definierter Spannungsabfall entsteht. Dieser Spannungsabfall wird von der Strombegrenzung erkannt und bewirkt, daß der Endstufentransistor wie ein elektronisch geregelter Vorwiderstand arbeitet. Die am Endstufentransistor abfallende Spannung kann also verschiedene Werte annehmen. Bei den heute üblichen Transistorzündanlagen - mit geschalteter Endstufe - fallen am leitenden Endtransistor ca. 1 bis 2 Volt ab. Bei der strombegrenzten Endstufe fallen während der Strombegrenzungszeit ca. 6 bis 8 Volt ab. Während der Strombegrenzungszeit - nach Erreichen des Primärstrom-Sollwertes - arbeitet der Endstufentransistor nicht mehr im Sättigungsbereich.
Blockschaltbild für Schaltgerät mit Hallgeber

Schließwinkelregelung
Im Bereich der Regelmöglichkeit wird der Schließwinkel so geregelt, daß in jedem Betriebszustand, also bei unterschiedlicher Batteriespannung, Motordrehzahl und Temperatur immer der gleiche Primärabschaltstrom erreicht wird.
Dies kommt bei nachfolgender Abbildung deutlich zum Ausdruck. Beispielsweise ist bei 6 Volt Batteriespannung (Startphase) der Primärstromverlauf wesentlich flacher als bei 12 Volt oder 15 Volt.
Das bedeutet, daß man bei 6 Volt den Primärstrom wesentlich früher einschalten muß - also Schließwinkel vergrößern - als bei 12 Volt oder 15 Volt. Um die mittlere Verlustleistung und damit Erwärmung der Zündanlage klein zu halten, wird der Schließwinkel so exakt geregelt, daß nur eine kleine prozentuale Strombegrenzungszeit zwischen den Zündzeitpunkten auftritt.

In der Impulsformerstufe des Schaltgerätes wird das vom Hallgeber gelieferte Rechtecksignal in eine dreiecksförmige Rampenspannung umgewandelt. Bei Schließwinkeländerung gleiten die Triggerpegel auf der Rampenspannung.

Blende (Gebersignal) bei 6-Zylinder-Verteiler 77% bzw. 23%.
Schließwinkeländerung durch Triggerpegelverschiebung bei Hallgeber.
| Kennbuchstabe | Erläuterung |
| a | Primärstrom erreicht Sollwert und Strombegrenzungszeit ist nicht zu groß. |
| b | Primärstrom erreicht z.B. bei starker Beschleunigung den Sollwert nicht. Durch Schließwinkelregelung wird der Schließwinkel im nächsten Zyklus so weit vergrößert, daß der Primärstrom-Sollwert erreicht wird. |
| c | Primärstrom erreicht Sollwert, aber Strombegrenzungszeit ist z.B. durch starke Motorverzögerung zu lang. Schließwinkel wird im nächsten Zyklus um den schraffierten Bereich verkleinert. Anmerkung: Schraffierter Bereich wird nur in Wärme umgesetzt. |
Ruhestromabschaltung
Damit bei stehendem Motor und eingeschalteter Zündung die Zündanlage nicht überlastet werden kann, wird die Transistor-Endstufe elektronisch nach ca. 1 Sekunde abgeschaltet. Sobald gestartet wird, werden sofort wieder Zündfunken abgegeben.
Zündspule
Die Zündspule hat eine angepaßte elektrische Auslegung und ist - mit wenigen Änderungen - in bekannter Bauart ausgeführt. Als Besonderheit hat diese Zündspule im Deckel eine 5,5 mm große Öffnung mit Verschlußstopfen, der einen Druckausgleich bei eventuell auftretender Übertemperatur ermöglicht.
Dieser Zustand könnte bei einem defekten Schaltgerät (Kurzschluß der Transistor-Endstufe, defekte Ruhestromabschaltung) auftreten. Um ein unkontrolliertes Austreten von heißem Asphalt zu verhindern, wird der Zündspulendeckel (Verschlußstopfen) mit einer Abdeckhaube abgedeckt.

Zündverteiler
Anstelle des Unterbrecherkontaktes ist der Zündverteiler mit einem wartungsfreien Hallgeber ausgerüstet. Der Zündverteiler besitzt deswegen keinen Zündkondensator.
Der Hallgeber besteht aus einer berührungslos arbeitenden Magnetschranke (ein Dauermagnet und eine integrierte Halbleiterschaltung - Hall-IC) und einer an der Zündverteilerwelle befestigten Blende.
Dadurch bestimmt der Hallgeber den Zündzeitpunkt.
Wird die Blende in den Luftspalt der Magnetschranke gedreht, so lenkt sie das Magnetfeld am Hall-IC vorbei. Der Hallgeber veranlaßt das Einschalten des Zündspulenstroms durch das Schaltgerät.
Wird die Blende aus dem Luftspalt der Magnetschranke gedreht, wird der Zündspulenstrom abgeschaltet und es erfolgt die Zündung.
Hallgeber (Konstruktionsmerkmale)
Der Hallgeber ist im Zündverteiler untergebracht. Die Magnetschranke ist auf die bewegliche Trägerplatte montiert. Der Hall-IC sitzt auf einem Keramikträger und ist mit einem der Leitstücke in Kunststoff eingegossen zum Schutz gegen Feuchtigkeit, Verschmutzung und mechanische Beschädigung. Leitstücke und Blendenrotor bestehen aus einem weichmagnetischen Werkstoff.
Die Anzahl der Blenden ist gleich der Anzahl der Zylinder. Die Breite b der einzelnen Blenden bestimmt den Schließwinkel dieses Zündsystems. Eine Schließwinkeleinstellung entfällt.

Schaltung und Funktionsschema des Hallgebers
| Kennziffer | Funktion |
| 1 | Blende mit Breite b |
| 2 | Weichmagnetische Leitstücke |
| 3 | Hall-IC |
| 4 | Luftspalt |
| UG | Geberspannung |
Hallgeber (Arbeitsweise)
Die Funktion dieses Gebers beruht auf dem Hall-Effekt: Ein Strom Iv durchfließt eine Halbleiterschicht (Hallschicht H). Wird die Schicht senkrecht von einem Magnetfeld B durchsetzt, so entsteht zwischen den Kontaktflächen A1 und A2 eine Spannung im Millivoltbereich, die man als "Hallspannung" (UH) bezeichnet. Unter der Voraussetzung gleichbleibender Stromstärke hängt UH nur von der Magnetfeldstärke ab: je stärker das Feld, desto höher ist UH. Man braucht jetzt nur noch dafür zu sorgen, daß die Magnetfeldstärke sich periodisch im Zündtakt ändert, dann ändert sich auch die Hallspannung im Zündtakt und löst über die Elektronik die Zündfunken aus.

Entstehung der Hallspannung UH
| Kennbuchstabe | Bedeutung |
| H | Hallschicht |
| Iv | Versorgungsstrom |
| A1 | Anschlußfläche / Minus |
| A2 | Anschlußfläche / Plus |
| B | Magnetfeld |
Aufgrund seiner Funktion besteht der Hallgeber aus einem festen Teil, der Magnetschranke, und aus einem rotierenden Teil, dem Blendenrotor. Zur Magnetschranke gehören ein Dauermagnet mit Leitstücken sowie eine integrierte Halbleiterschaltung (Hall-IC). Der Hall-IC ist ein elektronischer Schalter; er trägt unter anderem die Hallschicht.
Taucht eine Blende in den Luftspalt der Magnetschranke ein, so lenkt sie das Magnetfeld am Hall-IC vorbei. Das Hallelement ist nahezu feldfrei und somit entspricht UH in etwa 0. Der Signalausgang des Hall-IC sperrt den Signalstrom; man sagt: der Hall-IC schaltet aus. Verläßt die Blende den Luftspalt, dann wird die Hallspannung UH wirksam und der Hall-IC schaltet ein. In diesem Moment erfolgt die Zündung.
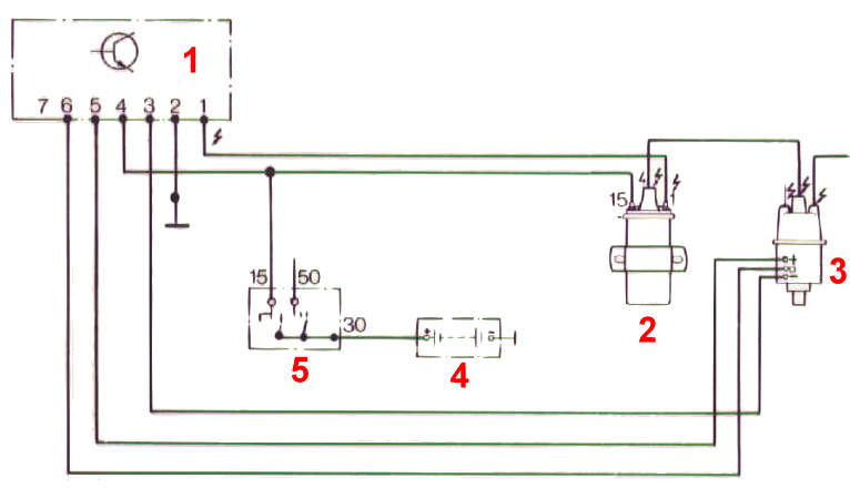
Ist bei Arbeiten an der Zündanlage oder am Motor das Einschalten der Zündung erforderlich, so treten die gefährlichen Spannungen in der gesamten Anlage auf, und zwar sowohl an ihren Bauteilen als auch am Kabelbaum, beispielsweise am Anschluß für den Drehzahlmesser, an Steckverbindungen der Testgeräte. In der nachfolgenden Abbildung sind die besonders gefährdenden Anlagenteile durch "Blitz"-Pfeile gekennzeichnet.
| 1 Steuergerät 2 Zündspule 3 Zündverteiler 4 Batterie 5 Zündschloß |
|
Verschiedene Testgeräte können bei Zündanlagen mit Strombegrenzung Drehzahl, Schließwinkel und Zündzeitpunkt falsch anzeigen.
Transistorzündanlagen mit Strombegrenzung haben im Vergleich zu konventionellen Zündanlagen einen anderen Verlauf der Primärspannung. Während der Schließzeit kann die Spannung an Kl. 1 der Zündspule Werte von 1,5 V bis Batteriespannung (oder größer) annehmen, was bei der Überprüfung der Zündanlage zu falscher Drehzahl- und Schließwinkelanzeige führen kann. Es handelt sich dabei jedoch um keine Störung der Zündanlage. Das Schaltgerät darf aus diesem Grund nicht ausgewechselt werden.
Die Drehzahl-Falschanzeige wird wie folgt erkannt:
Geht man von der Leerlaufdrehzahl aus und erhöht die Motordrehzahl langsam, so macht sich die Falschanzeige durch einen sprunghaften Rückgang der Drehzahlanzeige bemerkbar (z.B. Rückgang der Drehzahl von 4.000 U/min auf 2.000 U/min.
Eine einwandfreie Drehzahlmessung ist jedoch wie folgt möglich:
Vorwiderstand mit 0,9 bzw. 1,0 Ohm (siehe Bild) in die Leitung Kl. 15 zur Zündspule in Reihe schalten (auf Kurzschlußgefahr achten!). Nach beendeter Drehzahl-Messung ist der Vorwiderstand unbedingt wieder zu entfernen, sonst kann es zu Startproblemen und Zündaussetzern kommen.
Widerstandsmessungen dürfen nur bei ausgeschalteter Zündung vorgenommen werden.
Um eine Zerstörung des Schaltgerätes zu vermeiden, muß die Sekundärseite der Zündanlage mit mind. 2 kOhm entstört werden, wobei der Original-Verteilerläufer mit 1 kOhm Entstörwiderstand eingebaut sein muß (auch bei Radio- und Funkentstörung darf kein 5 kOhm-Verteilerläufer verwendet werden).
| 1 Batterie 2 Zündschalter 3 Klemme 4 Anschlüsse 5 Vorwiderstand 6 Zündspule |
|
Bei Verwendung einer Funkenstrecke muß - um eine Zerstörung des Schaltgerätes zu vermeiden - zwischen Funkenstrecke und Zündspule Kl. 4 ein Widerstand von mindestens 2 kOhm angeschlossen werden.
An der Zündverteiler-Magnetschranke (Hallgeber) darf keine Fremdspannung, z.B. Widerstandsmesser, angeschlossen werden.
ZV-Haltefedern dürfen beim Durchdrehen des Motors und abgenommenem Staubschutzdeckel nicht in das Gebersystem fallen.
Batterie nicht bei laufendem Motor abklemmen. Bei Falschpolung der Batterie wird die Magnetschranke von Zündverteiler, Schaltgerät und Zündspule zerstört.
Starthilfe mit mehr als 16V bzw. mit Schnellader ist verboten.
Vorgeschriebene Zündspule darf nicht durch eine andere Zündspule ersetzt werden.
An Zündspule Kl. 1 dürfen weder Entstörkondensatoren noch Prüflampen angeschlossen werden.
Zündspule Kl. 1 darf zur Diebstahlsicherung nicht an Masse gelegt werden (Bei Zündung EIN würde die Zündspule zerstört).
An Zündspule Kl. 1 darf kein Batterie + angelegt werden, sonst wird das Schaltgerät zerstört.
Zündleitung von Zündspule Kl. 4 zu Zündverteiler Kl. 4 darf während des Betriebes nicht abgezogen werden.
Bei einer Kompressionsmessung Schaltgerätestecker abziehen oder Zündspule Kl. 4 mit Hilfskabel fest an Masse legen.
Prüfanleitung:
Diese Prüfanleitung soll helfen, Fehlerursachen an Motoren mit kontaktloser Zündanlage schnell zu erkennen. Die in der Prüfanleitung enthaltenen Prüfschritte enthalten Prüfhinweise und Prüfwerte. Verläuft der Prüfschritt negativ, werden die entsprechenden Instandsetzungshinweise mit angegeben.
Prüfvoraussetzungen:
- Batterie voll geladen;
- Kraftstoffsystem in Ordnung;
- Umgebungstemperatur der Zündanlage 0°C bis +40°C (Temperatur beeinflußt
Meßwerte stark).
| Starter dreht, Motor springt nicht an. |
![]()
| ja |
|
Primärspannung prüfen bzw. wenn kein Oszilloskop vorhanden, prüfen, ob Zündfunke an Funkenstrecke. Primärspannung mit Oszilloskop prüfen: Oszilloskop nach Bedienungsanweisung anschließen. Motor starten. Oszilloskop muß eine Primärspannung anzeigen, gleich welcher Höhe. Primärspannung mit Zündfunke und Funkenstrecke prüfen: Zündleitung Kl. 4 von der Zündspule abziehen. Funkenstrecke einschließlich Entstörmuffe (5 kOHM) an Zündspule anschließen. Funkenstrecke auf 5 mm einstellen. Motor starten. An der Funkenstrecke müssen Funken vorhanden sein.
|
![]()
| ja | nein |
| Zündspule prüfen. Sichtprüfung: Schutzkappe der Zündspule abnehmen und prüfen, ob der Verschlußstopfen vorhanden bzw. Vergußmasse ausgetreten ist. | Ist der Verschlußstopfen nicht vorhanden bzw. Vergußmasse ausgetreten, dann ist das Schaltgerät und die Zündspule zu ersetzen. |
![]()
| ja | nein |
| Spannungsversorgung des Schaltgerätes überprüfen. Schaltgerätestecker abziehen. Spannungsmesser an Schaltgerätestecker zwischen Kl. 4 und Kl. 2 anschließen. Zündung einschalten. Der Spannungsmesser muß Batteriespannung anzeigen. Polarität beachten. Spannungswert in Ordnung? | Leitungen und Anschlüsse vom Zündschalter zum Schaltgerätestecker Kl. 4 einschließlich Masseleitung Kl. 2 auf Unterbrechung prüfen. Unterbrechung beseitigen. |
![]()
| ja | nein |
| Primärkreis prüfen. Spannungsmesser am abgezogenen Schaltgerätestecker zwischen Kl. 1 und Kl. 2 anschließen. Zündung einschalten. Der Spannungsmesser muß Batteriespannung anzeigen. Polarität beachten! Spannungswert in Ordnung? | Zuleitung vom Zündschalter zur Zündspule Kl. 15, Primärwicklung der Zündspule sowie Leitung von der Zündspule Kl. 1 zum Schaltgerätestecker Kl. 1 einschließlich Masseleitung Kl. 2 auf Unterbrechung prüfen. Unterbrechung beseitigen. |
![]()
| ja | nein |
| Zündung ausschalten. Stecker vom Zündverteiler (Hallgeber) abziehen. Schaltgerätestecker bleibt abgezogen. Leitungen vom Schaltgerätestecker 3, 5 und 6 mit Ohmmeter auf Durchgang prüfen. Leitungen in Ordnung? | Defekte Leitung(en) ersetzen. |
![]()
| ja | nein |
| Versuchsweise neues Schaltgerät einbauen. Nur Schaltgerät mit der Nr. 1 227 022 008 - eingegossen - verwenden. Zündfunken vorhanden? | Zündverteiler ersetzen. |
![]()
|
Motor muß anspringen. Andernfalls ist die Motormechanik bzw. die Gemischaufbereitung nicht in Ordnung. |
| Motor läuft, hat jedoch Zündaussetzer oder schlechte Leistung |
![]()
| ja | nein |
| Verteilerkappe,
Verteilerläufer, Zündleitungen und Zündkerzen prüfen. Hochspannungsseite in Ordnung, Funke an Zündkerze (Reservekerze)? |
Hochspannungsseite instandsetzen |
![]()
| ja | nein |
| Zündspule prüfen.
Sichtprüfung: Schutzkappe von der Zündspule abnehmen und prüfen, daß der Verschlußstopfen vorhanden bzw. keine Vergußmasse ausgetreten ist. Elektrische Prüfung: Zündspule primär (Kl. 15 und 1) 0,6 bis 0,9 Ohm (Widerstand von Meßleitungen mit Prüfspitzen berücksichtigen). Zündspule sekundär (Kl. 1 und 4) 6,3 bis 9,3 KOhm. Verschlußstopfen vorhanden bzw. keine Vergußmasse ausgetreten? Widerstandswerte in Ordnung? |
1) Ist der Verschlußstopfen
nicht vorhanden bzw. Vergußmasse ausgetreten, dann Zündspule und Schaltgerät
ersetzen. 2) Sind Widerstandswerte nicht in Ordnung, dann Zündspule ersetzen. Nur Zündspule mit der Nr. 1 227 020 009 - am Boden der Zündspule eingeprägt - verwenden. |
![]()
| ja | nein |
| Zündeinstellung prüfen (Zündzeitpunkt und Zündverstellung). Einstellung in Ordnung? | Zündung einstellen. Falls Ausregelbereich vom Sollwert abweicht, Zündverteiler ersetzen. |
![]()
| ja | nein |
| Spannungsversorgung des Schaltgerätes prüfen. Gummitülle vom Schaltgerätestecker zurückschieben. Spannungsmesser mit Prüfspitzen an den Schaltgerätestecker Kl. 4 und Kl. 2 anschließen. Motor im Leerlauf betreiben. Die gemessene Spannung muß 12 bis 14V betragen und darf maximal 1V unter Batteriespannung liegen. Spannungswerte in Ordnung? | Minus- und Plusleitung der
Batterie abklemmen. Schaltgerätestecker abziehen, Zündung einschalten. Leitungen der Batterieklemme + zum Schaltgerätestecker Kl. 4 einschließlich Leitungen von Batterieklemme - zum Schaltgerätestecker Kl. 2 auf Übergangswiderstand prüfen. Gesamt-Übergangswiderstand max. 0,2 Ohm (Widerstand von Meßleitungen berücksichtigen). Übergangswiderstand beseitigen. |
![]()
| ja | nein |
| Ruhestromabschaltung prüfen. Spannungsmesser an Zündspule Kl. 15 und Kl. 1 anschließen. Verteilerkappe, Verteilerläufer und Staubschutzdeckel abnehmen. Motor von Hand in Drehrichtung durchdrehen, bis Blende voll im Luftspalt der Magnetschranke steht. Zündung einschalten. Der Spannungsmesser zeigt für ca. 1 Sekunde einen kurzen Ausschlag (ca. 5 V). Spannungsmesser muß auf 0 abfallen. Spannungsabfall auf 0 in Ordnung? | Schaltgerät und Zündspule ersetzen. |
![]()
| ja | nein |
| Primärspannung prüfen. Oszilloskop anschließen. Motor im Leerlauf betreiben. Die gemessene Primärspannung muß ca. 200 V betragen. Spannungswert in Ordnung? | Schaltgerät ersetzen. Nur Schaltgerät mit der Nummer 1 227 022 008 verwenden! |
![]()
|
Zündanlage in Ordnung |
Achtung:
Die Primärspannung ist abhängig vom Zündspannungsbedarf des Motors im jeweiligen Betriebszustand, dem Übersetzungsverhältnis und dem Übertragungsfaktor der Zündspule sowie einigen systembedingten Korrekturfaktoren. Deshalb kann die Primärspannung stark variieren.